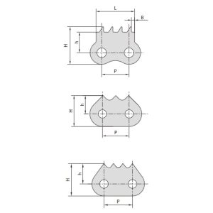
A corrente transportadora de madeira é utilizada por empresas de processamento de madeira para o transporte de madeira, sendo os principais produtos a corrente dentada e outras.