Corrente com dentes afiados para uso em ambientes úmidos e empoeirados

A corrente dentada afiada é um tipo de corrente de transmissão, cuja estrutura é caracterizada por uma série de placas dentadas e placas guia montadas alternadamente e, através do pino ou de uma combinação de elementos articulados conectados para formar, o passo adjacente é articulado.

Descrição

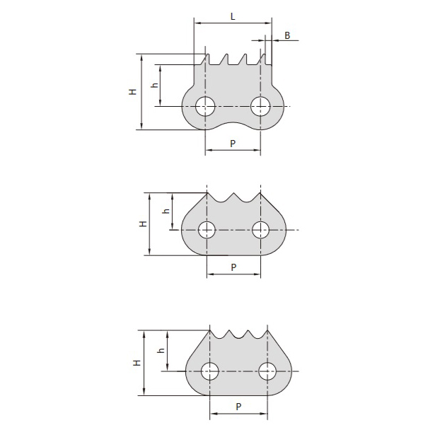
A corrente de cúspides, classificada por tipo de guia, inclui corrente dentada com guia externa, corrente dentada com guia interna e corrente dentada com guia interna dupla. Esta transmissão por corrente utiliza o engrenamento preciso dos dentes da corrente e da roda dentada para transmitir potência e movimento, garantindo uma relação de transmissão média precisa.

Vantagens

  • Alta potência de transmissão e forte capacidade de sobrecarga
  • Tamanho compacto da transmissão para as mesmas condições de trabalho
  • Requer menos força de tensão
  • Opera de forma confiável em ambientes adversos, incluindo alta temperatura, umidade, poeira e poluição

Desvantagens

  • Custo mais elevado em comparação com outros tipos de correntes
  • Suscetível a desgaste e alongamento
  • Baixa suavidade de transmissão, com carga dinâmica adicional, vibração, choque e ruído durante a operação
  • Não é adequado para aplicações de transmissão com reversão rápida

Em resumo, as correntes cusp são ideais para aplicações que exigem alta transmissão de potência em ambientes exigentes, mas podem não ser adequadas para tarefas que exigem reversões rápidas frequentes ou ruído e vibração mínimos.

Parâmetros técnicos

mesa técnica com tampo afiado e cadeia

mesa técnica com cadeia superior afiada